With a bit of undertable storage for books and magazines, this timeless modern coffee table is sure to last for years to come.
Our editors and experts handpick every product we feature. We may earn a commission from your purchases.Learn more.
With a bit of undertable storage for books and magazines, this timeless modern coffee table is sure to last for years to come.
Our editors and experts handpick every product we feature. We may earn a commission from your purchases.Learn more.
Two days
Intermediate
$150 - $400
With a bit of undertable storage for books and magazines, this timeless modern coffee table is sure to last for years to come.
Coffee tables are as integral to any comfortable living room as chairs and lamps. Their flat surfaces easily hold food and beverages during movie nights or sporting events, as well as board games to play with the family. And, of course, they’re a comfortable place for your cup of Joe in the morning as you welcome the new day.
This project focuses on creating a simple yet elegant coffee table with storage space to get stuff out of the way.
| KEY | QTY. | DIMENSIONS |
| A – Top | 1 | 48″ x 24″ |
| B – Casework Sides | 2 | 22-1/8″ x 13″ |
| C – Casework Top / Bottom | 2 | 46-3/4″ x 22-1/8″ |
| D – Casework Dividers | 2 | 22-1/8″ x 11-1/4″ |
| KEY | QTY. | DIMENSIONS | THICKNESS | |
| E – Top Edge (Short)** | 2 | 25-1/2″ x 1-1/2″ | 3/4″ | |
| F – Top Edge (Long)** | 2 | 49-1/2″ x 1-1/2″ | 3/4″ | |
| G – Face Frame Stiles | 4 | 13″ x 1-1/2″ | 3/4″ | |
| H – Face Frame Rails | 4 | 43-3/4″ x 1-1/2″ | 3/4″ | |
| J – Face Frame Mullions | 4 | 10″ x 1-1/2″ | 3/4″ | |
| K – Base Sides (Short) | 2 | 19″ x 2″ | 3/4″ | |
| L – Base Sides (Long) | 2 | 43″ x 2″ | 3/4″ | |
| M – Braces** | 4 | 13-1/2″ x 1-1/2″ | 3/4″ | |
| N – Legs | 4 | 5″ x 1-1/2″ | 1-1/2″ | |
| ** – Miters Required | ||||
Once you’ve selected a wood species, cut the parts above from a sheet of 3/4-inch plywood and solid lumber. Notice that parts E, F, and M require mitered ends, which I suggest cutting while dry-fitting them to their surrounding components.
For this project, the base, casework and top should be constructed separately, then assembled. Let’s start from the base and work our way up.
To form the legs for the base, make a pair of cuts to each of the four leg pieces (N) using the band saw or jigsaw. Cut the angle above from the midpoint of the leg to the 1/2-inch mark on the bottom on two conjoining sides and sand any milling marks smooth.



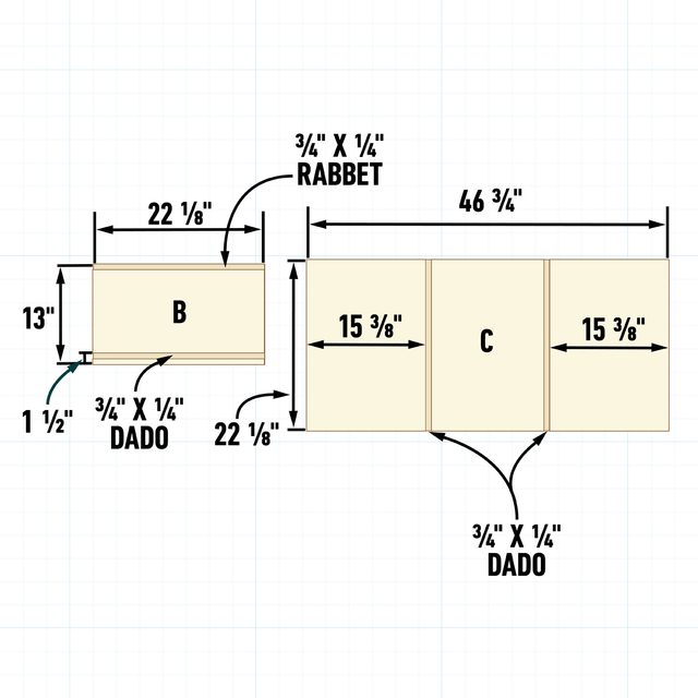
In accordance with the drawing above, cut 3/4-inch wide by 1/4-inch deep rabbets and dadoes into the plywood sides (B) and top and bottom pieces (C) using a router or table saw with a dado set.


Note: Because 3/4-inch plywood is actually 23/32-inch thick, your plywood case will be slightly shorter than your face frame. Once the glue dries, simply sand or rout away any excess material.
Pro tip: Given the compact size of the undertable storage in this coffee table, I recommend pre-finishing the plywood case interior before gluing it together.

The top of the coffee table is its focal point, so take extra care to ensure your mitered corners are tight and you select the prettiest side of the plywood top (A).

When you’ve completed all three pieces of the coffee table, sand each and apply the top coat of your choice.

After the finish dries, attach the completed base to the completed casework by drilling a hole through each base brace (M) and screwing through to the bottom of the casework (C).

Complete the piece by screwing through the top of the casework (C) into the underside of the top (A).