A quiet and private space is only a weekend away with a deck privacy screen.
Multiple Days
Intermediate
$101–250
Introduction
Convert a deck railing into a handsome privacy screen and block nosy neighbors, unsightly views, wind and noise. It's easy to build and will fit most decks. And it'll make your deck a more comfortable, welcoming place. We'll show you how to do it.
Deck and railing before the fence
The deck location includes an unsightly view of the neighbor’s backyard and dog pen.
If you enjoy spending time on your deck but the neighborhood pest seems to pop over whenever you step outside, this privacy fence project is for you. There are plenty of outdoor privacy screen ideas for decks out there, but this one rises above the rest. It’s designed to gracefully replace sections of your existing railing and make your deck more private. It also blocks unsightly views, reduces outdoor noise and gives you shelter from the wind, making your deck a more comfortable spot on those breezy days that usually drive you inside.
The fence is made from construction-grade cedar in standard widths available at home centers, so little cutting is required. The equal panels formed by 2×4 upright posts create an appealing symmetry that will complement any railing. We built our fence to replace one whole side and one partial section of 2×2 spindles, which are typically screwed or nailed over the rim joists and rise to a 2×6 top railing.
The step-down design has a high section that flows into a lower section and then connects neatly to the original railing. This all adds up to an uninterrupted flow—the fence looks like it was meant to be there.

Tools and materials
You can do the entire project in one long weekend if you pick up the materials beforehand. If you have a circular saw, handsaw, sawhorses, square, tape measure, level, cordless drill and hammer, you’re all set.
Unlike the decking and the joists, where only one side needs to look good, your new fence must look good on all sides, so try to select the wood yourself. If you have the materials delivered, ask the lumberyard or home center if you can personally select each piece before delivery. Expect to pay extra for delivery.
Carefully dismantle the existing parts of the railing to make room for the new privacy fence. You may find it easier to saw the old railing into sections. Avoid marring the edges of your deck with hammers or pry bars, and make sure to remove any exposed nails or screws.
You’ll be able to precut all the posts and rails. However, it’s best to cut the rest of the items in the Cutting List as you need them to get an exact fit. Wood thickness can vary slightly and affect the length of these pieces.
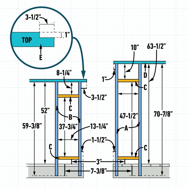
Privacy Screen plans

Post and Rail Layout

Typical Cross Section

Tools Required
- Circular saw
- Drill bit set
- Drill/driver - cordless
- Hammer
- Handsaw
- Level
- Pry bar
- Safety glasses
- Sawhorses
- Speed square
- Stepladder
- Tape measure
Materials Required
- 3-1/2-in. galvanized screws
- 3-in. galvanized screws
- 4d galvanized nails
- 6d galvanized nails
- Lumber (see Cutting Lists)
Project step-by-step (12)
Draw up your plan and buy the materials for a deck privacy screen
Your deck won’t be exactly like ours, but you can refer to our measurements as you carefully lay out your own plan. The first step is to determine how you’ll tie in the new privacy fence with your existing railing (if different from ours). We simply cut our existing top railing and then rejoined it to the side of the last upright post.
The next step is to determine how many full-size panels you’ll need. Each panel is 14-3/4 inches wide, measured from the center of one post to the center of the next. The panel closest to the house will most likely be a different width.
If you need a narrower panel, reduce the space between the posts and decrease the width of the slats. If you need the last panel to be a bit wider, increase the space between the posts and add a partial slat on the top and bottom. At the other end of the fence, the section that connects to the existing railing will be a full-size panel as long as you cut the original railing exactly.
- NOTE: Build the privacy fence from the same type of wood as your deck to ensure they blend. If your original wood railing has weathered, you can wait for the new sections to weather (about two years) or use a deck cleaner to wash away the gray wood fibers.
Dismantle the old railing
After carefully measuring and marking your layout, cut your original railing at the point where it intersects the lower fence section. Set aside these old pieces and remove all the nails.

Notch the posts
Notch the cedar 2×4 posts and cut them to length. Be sure to cut the 30-degree miter (or match an existing angle) at the bottom of each post. Notch both the tall and short pieces to fit over the deck edge.

Plumb and fasten the posts
Screw the posts into the rim joist using a rail section (C) as a spacer. Install the first post 1-1/2 inches from the corner. Use a level to be sure each post is plumb (straight up and down) as you screw it to the rim joist.
- Important: Screw the post adjacent to the house securely to the framing or sheathing under the siding.

Install the lower rails
Screw the lower rails (C) to each post using 3-in. galvanized screws driven at an angle. Then use the same method, called toe screwing, to attach the upper rails (Fig. A).

Install the top railing
Screw the top railing to each post top using 3-in. galvanized screws, then trim it to the exact length (it should overhang the post by 1 inch). Once the top railing is fastened, be sure to plumb the post that’s adjacent to the house and screw it securely to the framing or the sheathing under the siding.

Connect the railings
Connect the tall corner post to the top rail of the lower section with a pair of 3-in. galvanized screws. Be sure the top railing of the lower section is notched.
Cut the trim strips
Mark and rip-cut (saw lengthwise) the horizontal trim pieces and the cleats from wider cedar boards to the dimensions shown in the Cutting List. Your lumberyard may be able to rip these for you.

Nail up the trim
Nail the horizontal trim pieces to the posts and rails with 6d galvanized nails. The trim covers the butt joints between the rails and the posts, and it strengthens the assembly.

Nail on the cleats
Nail the cleats to the rail pieces and the underside of each top rail. Secure each piece with four 4d galvanized nails.

Install the slats
Drill pilot holes, then nail the slats in place with 4d galvanized nails. Be sure the spaces between the slats and posts are even. Drive the nails at a slight angle for better holding power. Install the upper slats in the same manner.

Add bridging to the joists
Strengthen the rim joist against heavy winds by adding 2×6 (or wider) box bridging between the two outside joists. Fasten the bridging to each joist with three 3-1/2 in. deck screws. Install bridging every 2 ft. Cut each piece of bridging so it fits snugly between the outer rim joist and the next inner one, as shown. This boxing will stiffen the rim joist and prevent the fence from swaying.

